TVIRTINIMASVaržtai ir sraigtaiVaržtaiBe galvos -fiksavimoBe padengimoISO 4026/DIN 913 VARŽTAS FIKSACINIS BE PADENGIMO
ISO 4026/DIN 913 VARŽTAS FIKS. 12X12 BE PADENGIMO
ISO 4026/DIN 913 VARŽTAS FIKS. 12X12 BE PADENGIMOISO 4026/DIN 913 VARŽTAS FIKS. 12X12 BE PADENGIMO
Produkto Nr. 0255 12 12
EAN 4038898463146
Kainos matomos tik registruotiems vartotojams.
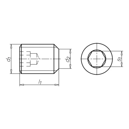
Sriegio diametras
M12Bendras ilgis [mm]
12Plokščiojo taško skersmuo
8.5vidinė šešiakampė jungtis
HS6Standartai
ISO 4026Medžiaga
PlienasPaviršius
NepadengtasKietumo kategorija
45HJungties tipas
Vidinis šešiakampisSriegio tipas
MetrinisSriegio formatas
Standartinis metrinis sriegisAntgalio forma
nupjautas kūgisAtitinka RoHS
Taip


