TVIRTINIMASVaržtai ir sraigtaiVaržtaiBe galvos -fiksavimoBe padengimoISO 4027/DIN 914 VARŽTAS FIKSACINIS
ISO 4027/DIN 914 VARŽTAS FIKS. 4X6 BE PADENGIMO
ISO 4027/DIN 914 VARŽTAS FIKS. 4X6 BE PADENGIMOISO 4027/DIN 914 VARŽTAS FIKS. 4X6 BE PADENGIMO
Produkto Nr. 0256 4   6
EAN 4011231310468
Kainos matomos tik registruotiems vartotojams.
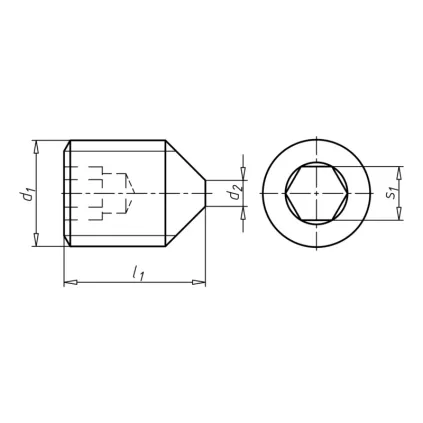
Sriegio diametras
M4Bendras ilgis [mm]
6Antgalio skersmuo
1vidinė šešiakampė jungtis
HS2Antgalio kampas
90Standartai
ISO 4027Medžiaga
PlienasKietumo kategorija
45HPaviršius
NepadengtasJungties tipas
Vidinis šešiakampisAntgalio forma
TipAtitinka RoHS
Taip


