TVIRTINIMASVaržtai ir sraigtaiVaržtaiBe galvos -fiksavimoBe padengimoISO 4028/DIN 915 VARŽTAS FIKSACINIS
ISO 4028/DIN 915 VARŽTAS M6X12 45H BE PADENGIMO
ISO 4028/DIN 915 VARŽTAS M6X12 45H BE PADENGIMOISO 4028/DIN 915 VARŽTAS M6X12 45H BE PADENGIMO
Produkto Nr. 0257 6 12
EAN 4038898464082
Kainos matomos tik registruotiems vartotojams.
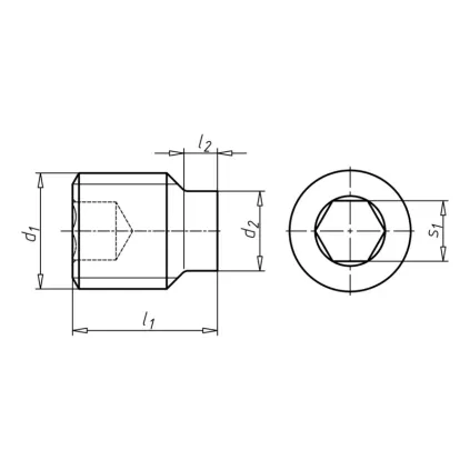
Sriegio diametras
M6Bendras ilgis [mm]
12Dygio skersmuo
4Dygio ilgis
3vidinė šešiakampė jungtis
HS3Standartai
ISO 4028Medžiaga
PlienasPaviršius
NepadengtasKietumo kategorija
45HJungties tipas
Vidinis šešiakampisSriegio formatas
Standartinis metrinis sriegisAntgalio forma
Kūgio formosAtitinka RoHS
Taip


