SB VARŽTŲ RINKINYS (4017+4032) 12X35 STIPRUMO KLASĖ 8.8 U KARŠTAI CINKUOTAS
SB VARŽTŲ RINKINYS (4017+4032) 12X35 STIPRUMO KLASĖ 8.8 U KARŠTAI CINKUOTASLST EN 15048-1 Rinkiniai iš anksto neįtemptiems plieno konstrukcijų varžtiniams sujungimams
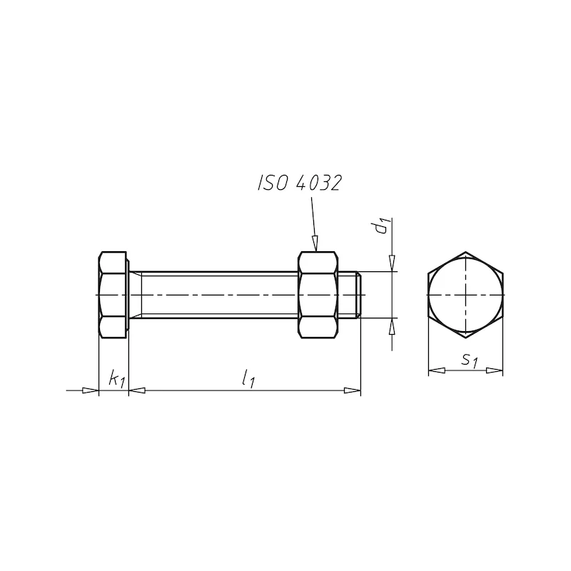
- Pilno sriegio rinkiniai susideda iš:
šešiakampių varžtų LST EN 4017 ir šešiakampių veržlių LST EN 4032.
- Nepilno sriegio rinkiniai susideda iš:
šešiakampių varžtų LST EN 4014 ir šešiakampių veržlių LST EN 4032.
Plienas karštai cinkuotas (termiškai cinkuotas tzn)
Sriegių dydžiai M8 ir M10 su žymeniu "8.8U" atitinka minimalų atsparumą trūkimui ir bandomąjį atsparumą (6az tolerancijos klasės srieginiams varžtams) pagal standartą EN ISO 10684.
Produktas atitinka darniuosius standartus. Tvirtinimas turi būti atliekamas remiantis statybų reglamentu.
Tinka naudojimui lauke, dėl padidinto antikorozinio atsparumo karšto cinkavimo būdu.
SB - Structural Bolting Varžtai ir veržlės pagal LST EN 15048 pažymėti ženklu „SB“.
ISO 4014 pakeičia DIN 931 | Yra tam tikrų panašumų | Praplėsti nominalūs matmenys | Pakeistas M10, M12, M14 ir M22 varžtų plotis per plokštumas.
Reglamentuojamas statybos produktas su CE ženklu.


